電磁繼電器怎么接線,電磁繼電器接線方法示意圖?
發布時間:2022-09-07 16:34:42點擊量:
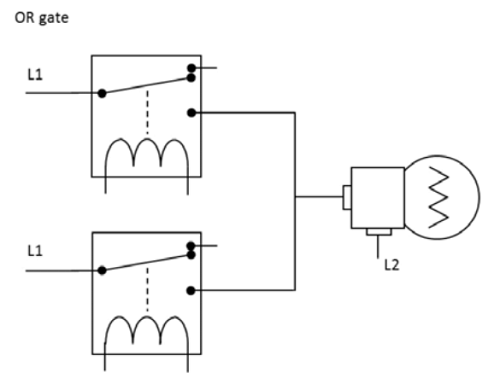
電磁繼電器和兩個邏輯門的示意圖。圖1顯示了一個單極繼電器。只有當線圈被電流激活時,公共(C)抽頭才會改變其位置,從而與NO端子接觸。圖2顯示了具有兩組觸點的雙極繼電器。中間部分顯示了一個與門。只有當兩個繼電器的線圈被激活時,電流才會從L1流向L2,從而打開右側的燈泡。圖3顯示了一個或門。當一個或兩個繼電器線圈被激活時,燈泡就會亮起。




電磁繼電器和兩個邏輯門的示意圖。圖1顯示了一個單極繼電器。只有當線圈被電流激活時,公共(C)抽頭才會改變其位置,從而與NO端子接觸。圖2顯示了具有兩組觸點的雙極繼電器。中間部分顯示了一個與門。只有當兩個繼電器的線圈被激活時,電流才會從L1流向L2,從而打開右側的燈泡。圖3顯示了一個或門。當一個或兩個繼電器線圈被激活時,燈泡就會亮起。



