 
- 
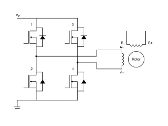
          2024-11-28步進電機驅動器的核心原理,正確的步進電機驅動器接線方式步進電機廣泛應用于自動化設備中,其精確的控制特性使其在各類應用中備受青睞。掌握步進電機驅動器的原理和接線方法,是確保系統穩定性和精度的基礎。 
 
- 
          2024-11-28步進電機驅動電路電流如何設定,能夠有效提升步進電機的性能步進電機驅動電路電流的設定是一個至關重要的環節,需根據電機規格、工作周期、驅動方式及實際使用情況進行綜合考慮與調整。通過科學合理的電流設定,能夠有效提升步進電機的性能,確保其穩定可靠的運行。 
 
- 
          2024-11-28步進電機驅動電路由哪些組成,六種電路設計對系統性能步進電機驅動電路在設計時需綜合考慮各個組成部分的協調性與穩定性,以確保電機運行的可靠性與效率。步進電機廣泛應用于精密控制領域,其驅動電路設計對系統性能至關重要。 
 
- 
          2024-11-28步進電機控制器工作原理,基于微處理器或微控制器的使用方法步進電機控制器的工作原理是基于微處理器或微控制器,它接收輸入的脈沖信號,并根據設定的步進角度和速度,輸出相應的脈沖信號給步進電機驅動器。驅動器再將這些脈沖信號轉換成步進電機的角位移或直線位移 
 
- 
          2024-10-23光電轉速傳感器的工作原理在自動化和智能化應用光電轉速傳感器以其高精度和非接觸式的特性,成為現代工業中不可或缺的測量工具。隨著技術的不斷發展,光電轉速傳感器的應用將更加廣泛,推動各行各業的自動化和智能化進程。 
 
- 
          2024-10-23光電轉速傳感器的轉速測量,相比于傳統機械式轉速傳感器光電轉速傳感器主要依靠光學原理進行轉速測量,它通常由光源(如LED或激光)、光電接收器和信號處理電路組成。光源發出的光束照射到正在旋轉的物體表面,當物體表面存在標記(如反光貼紙或特殊圖案)時 
 
- 
          2024-10-23光電脈搏傳感器什么時候發出紅光,接收反射回來的光信號?光電脈搏傳感器通常由一個光源(如LED)和一個光電探測器組成。當傳感器接觸皮膚時,LED會發出紅光和紅外光。這些光通過皮膚和血管,隨著血液流動的變化而被不同程度地吸收和散射。 
 
- 
          2024-10-23光電脈搏傳感器工作原理信號處理單元信息光電脈搏傳感器主要由光源、光電探測器和信號處理單元三部分組成。光源通常采用激光二極管或發光二極管,其作用是發射光脈沖。光電探測器用于接收反射或散射回來的光信號,將光信號轉化為電信號。 


