壓力調節閥(安沃馳)R440001900
發布時間:2021-07-08 17:00:00點擊量: 
      
  安沃馳(AVENTICS)壓力調節閥R440001900型號的使用注意事項:
1、不可超過最小控制壓力,否則會導致故障電路和可能發生閥故障!
2、壓力露點必須至少低于環境和介質溫度15°C,并且允許的最高溫度為3°C。
3、壓縮空氣的油含量必須在整個使用壽命中保持不變。
4、只可使用經過AVENTICS公司許可的油。
5、不含機油、干燥的空氣可以詢問安裝在其它的位置。
6、只有按規定安裝了插頭,才達到了保護等級;詳細可聯系藤倉工程師。
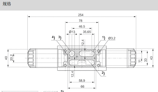
安沃馳(AVENTICS)壓力調節閥R440001900規格參數:


安沃馳(AVENTICS)壓力調節閥R440001900安裝位置圖:

安沃馳(AVENTICS)壓力調節閥R440001900框架圖:



