槽型光電傳感器 GL5-L/43a/115
發布時間:2021-07-06 16:46:27點擊量:

槽型光電傳感器 GL5-L/43a/115的工作原理是把一個光發射器和一個接收器面對面地裝在一個槽的兩側的是槽形光電。發光器能發出紅外光或可見光,在無阻情況下光接收器能收到光。但當被檢測物體從槽中通過時,光被遮擋,光電開關便動作。輸出一個開關控制信號,切斷或接通負載電流,從而完成一次控制動作。槽形開關的檢測距離因為受整體結構的限制一般只有幾厘米。
槽型光電傳感器 GL5-L/43a/115產品描述:
GL5 小型光電槽型傳感器體積小巧,光學性能出眾。滿足半導體工業微型物體的檢測需求。在同類產品中具有 DC 5 - 24 V 的寬電壓范圍和 高達 5 kHz 的最快開關頻率。內部集成的聚焦孔使傳感器能檢測尺寸為0.8 x 1.8 mm的微型物體。傳感器提供 NPN 或者 PNP 輸出。多樣且優化的外殼使傳感器最大程度地適用于擁擠環境中。
槽型光電傳感器 GL5-L/43a/115產品特點:
? 微型設計
? 適宜小物體檢測
? 開關頻率高
? 安裝快速簡單
? 清晰的可視 LED 功能顯示
槽型光電傳感器 GL5-L/43a/115產品相關型號:
GL5-L/43a/115
GL5-F/43a/115
GL5-R/43a/115
GL5-T/43a/115
GL5-U/43a/115
GL5-Y/43a/115
GL5-J/43a/115
GL5-R/43a/115-5M
GL5-T/43a/115e
GL5-L/43a/115-5M
GL5-T/43a/115a
GL5-L/43a/115a
GL5-Y/43a/115-5M
槽型光電傳感器 GL5-L/43a/115產品規格參數:

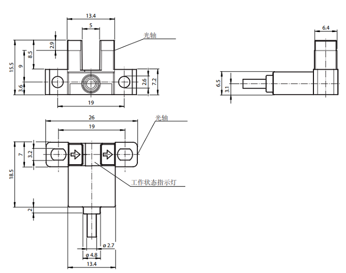
槽型光電傳感器 GL5-L/43a/115外形尺寸:



