P+F超聲波傳感器UB2000-F42-I-V15
發布時間:2021-10-19 15:22:07點擊量:
超聲波傳感器UB2000-F42-I-V15(漫反射型和反射板型超聲波傳感器)
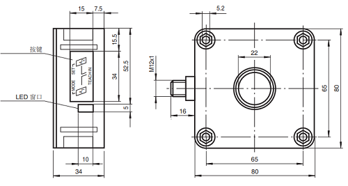
| 【產品功能描述】 使用接近開關側面的兩個按鍵可以進行參數設定,超聲波聲錐的寬度也可以根據傳感器安裝位置的需要進行調整。 【附件產品】 ·MH-04-3505安裝附件 ·MHW 11安裝附件 ·DA5-1U-2K-V顯示器 ·V15-G-2M-PVC電纜連接器 ·V15-W-2M-PVC電纜連接器 |
產品·特點
——超聲波傳感器產品特性——
●模擬量輸出4mA...20mA ●盲區小 ●可設定 ●固定干擾源抑制(在近距離內調整聲錐的寬度) ●溫度補償 ●同步功能 ●工作模式可選 |
|
產品·參數規格
——超聲波傳感器產品規格——
通用規格——
感應范圍:60...2000mm
調整范圍:90...2000mm
死區:0...60mm
標準目標板:100mmx100mm
換能器頻率:大約175kHz
響應延遲:大約150ms
指示燈/操作方法——
綠色LED:綠色常亮:通電
黃色LED:常亮:物體在評估范圍內
閃爍:程序功能
紅色LED:正常運行:“故障”
程序功能:未檢測到物體
電氣技術規格——
工作電壓:10...30VDC,紋波10%SS
空載電流:≤50mA




