電感式傳感器NBN40-L2-E2-V1
發布時間:2022-04-20 15:03:42點擊量:
P+F倍加福電感式傳感器NBN40-L2-E2-V1
| 【產品功能描述】 | |
| 電感式傳感器NBN40-L2-E2-V1的作用是使傳感器發出高頻交變磁場。當金屬開關目標接近該磁場時,通過渦流損耗從交變場中提取能量。此外,鐵磁開關目標會導致再磁化損耗。評估這些損失并在達到定義的閾值時切換傳感器。 | ||
| 【附件產品】 | ||
·不帶線電纜插座:V1-G ·不帶線電纜插座:V1-W ·電纜插頭:V1-W-2M-PVC ·電纜插頭:V1-G-2M-PVC ·安裝附件:MHW 01 | ||
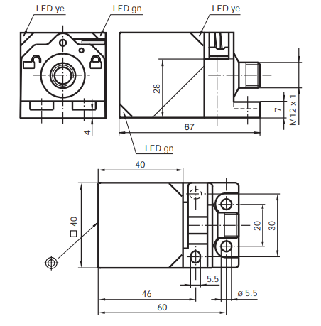
產品·特點
——電感式傳感器NBN40-L2-E2-V1產品特性——
●傳感器頭雙向和可旋轉 ●3線直流 ●40mm非齊平安裝 ●快速安裝支架 ●4-路LED指示燈 |
|
產品·規格參數
——電感式傳感器NBN40-L2-E2-V1產品功能——
通用規格參數——
·開關點功能:PNP常開
·額定動作距離sn:40mm
·安裝:非齊平安裝
·輸出極性:DC
·可靠動作范圍sa:0...32.4mm
·衰減系數rAI:0.33
·衰減系數rCu:0.31
·衰減系數rV2A:0.74
·衰減系數rMs:0.38
工作環境——
·環境溫度:-25...85oC(248...358K)
·儲藏溫度:-40...85oC(233...358K)
額定等級——
·工作電壓UB:10...30 V
·開關頻率f:0...150 Hz
·遲滯H:典型值5%
·反極性保護:是
·短路保護:脈沖
·電壓降Ud:≤2 V
·工作電流IL:0...200 mA
·漏電流Ir:0...0.5 mA
·空載電流Io:≤20 mA
·工作電壓顯示:綠色LED指示燈
·開關狀態指示:黃色LED指示燈
機械特性——
·接線形式:V1-連接器
·外殼材料:PA-GF35
·感應面:PA-GF35
·防護等級:IP69K
·重量:130 g
·防護等級:II
·額定絕緣電壓Ui:253 V
·設計抗沖擊電壓Uimp:4000 V





