讀/寫站IQT1-FP-IO-V1(識別系統RFID讀/寫頭)
發布時間:2021-10-26 11:28:31點擊量: 
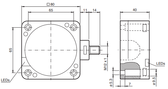
      讀/寫站IQT1-FP-IO-V1(識別系統RFID讀/寫頭)

產品·特點
——讀/寫站IQT1-FP-IO-V1(識別系統RFID讀/寫頭)產品特性——


產品·規格參數
——讀/寫站IQT1-FP-IO-V1(識別系統RFID讀/寫頭)產品規格——
| 通用規格 | ||
|---|---|---|
| 工作頻率 | 13.56 MHz | |
| 傳輸速率 | 26 kBit/s | |
| 感應范圍 | ||
| 讀取距離 | 0 ... 130 mm | |
| 寫距離 | 0 ... 130 mm | |
| 寬度 | 最大 100 mm | |
| UL 文件編號 | E87056 | |
| 指示燈/操作方法 | ||
|---|---|---|
| 紅色/綠色 LED | 綠色:通電 綠色閃爍:IO-Link 通信 紅色/綠色閃爍:IO-Link 通信中斷 | |
| 藍色/黃色 LED | 藍色:白色/已執行讀碼測試 黃色:檢測到讀/寫標簽 | |
| 電氣技術規格 | ||
| 額定工作電壓 | 20 ... 30 V DC ,紋波 10 %SS | |
| 功耗 | ≤ 2 W | |
| 環境條件 | ||
|---|---|---|
| 環境溫度 | -25 ... 70 °C (-13 ... 158 °F) | |
| 存儲溫度 | -40 ... 85 °C (-40 ... 185 °F) | |


