加強鎖緊型DJN21手動位移滑臺
發布時間:2025-06-20 17:52:53點擊量:

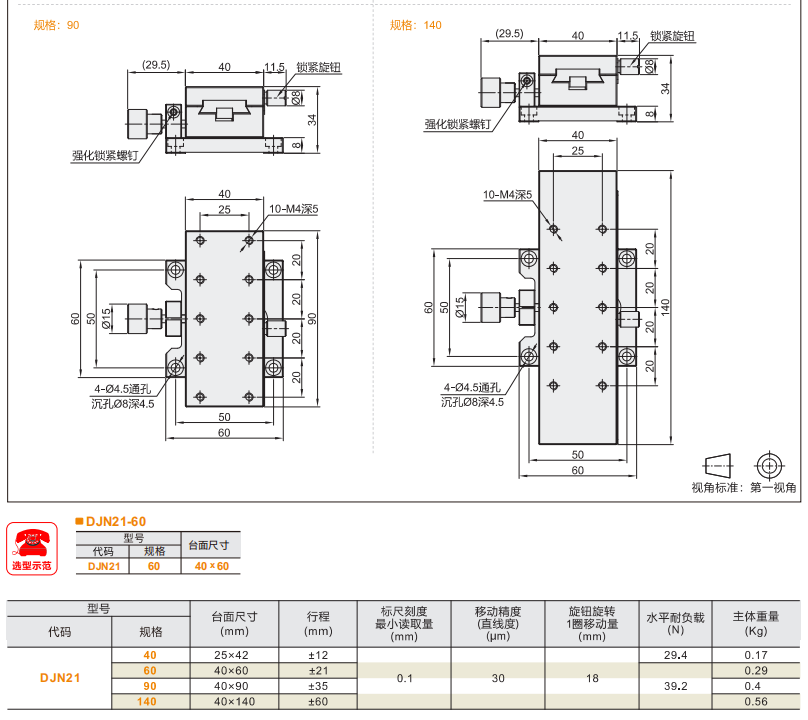
DJN21手動位移滑臺采用精密燕尾導軌結構,配合千分尺微調機構,專為高穩定性直線位移設計。其獨特的機械自鎖特性可確保定位后不產生偏移,定位精度達±0.01mm,特別適合機械加工、檢測設備等需要穩定承載的工業應用。主體采用高強度鑄鐵材料,經精密研磨處理,具有優異的抗震性和長期使用穩定性。

核心特點:
(1)穩定承載:燕尾導軌結構,最大負載可達500N
(2)精準定位:千分尺微調,分辨率0.01mm
(3)自鎖設計:機械式自鎖機構,定位后無位移
(4)耐用結構:高強度鑄鐵基座,抗變形能力強
(5)防塵設計:導軌防護罩,適應惡劣工業環境
典型應用:
激光對焦、自動化檢測工裝、實驗室儀器定位、半導體設備調試等需手動精密控制的線性運動場景。可選行程/負載定制,提供防塵版本(DJN21-C系列)適應惡劣環境。




