?重載型DLF31/?DLF33/DLF51/?DLF52手動位移滑臺
發布時間:2025-06-27 09:31:54點擊量: 
      

千分尺進給型DLF31/DLF33為手動位移滑臺,采用精密絲杠驅動,定位精度達±0.005mm,適用于光學、半導體等微米級調節場景;DLF51/DLF52為重載型,采用強化滾柱導軌,負載能力達100kg,適用于自動化設備、重型儀器定位。全系列支持模塊化擴展,滿足高精度與高剛性需求。
一、產品特點
1、DLF31/DLF33(千分尺進給型)
(1)高精度千分尺:0.01mm/格(DLF33可選0.5μm微分頭)
(2)零背隙絲杠:消除回程誤差,重復定位精準
(3)輕量化設計:硬質氧化鋁合金,抗腐蝕
(4)防塵密封:適用于潔凈環境


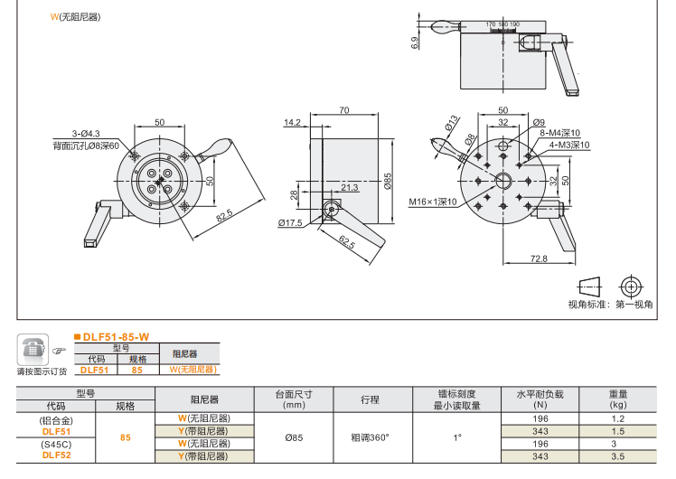
2、DLF51/DLF52(重載型)
(1)強化滾柱導軌:負載能力提升50%(DLF52達120kg)
(2)手動快速鎖緊:一鍵固定位置,抗振動
(3)工業級耐用性:鋼制導軌+表面硬化處理
(4)長行程可選:最大1000mm(DLF52)


二、核心應用
(1)DLF31/DLF33:激光校準、顯微對焦、精密傳感器定位
(2)DLF51/DLF52:自動化生產線載臺、重型檢測設備、工業機械定位
該系列產品覆蓋從微米級調節到百公斤級承載的全場景需求,為科研與工業提供精準可靠的位移解決方案。



