三點支撐式傾斜型DLF41和DLF42旋鈕驅動型
發布時間:2025-06-27 10:18:43點擊量: 
      

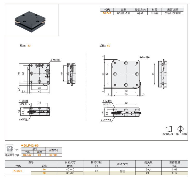
DLF41采用軸孔配套式傾斜結構,通過旋鈕驅動實現±15°精密角度調節;DLF42創新性采用三點支撐設計,傾斜穩定性提升50%,負載能力更強。兩款均配備高精度蝸輪蝸桿機構,適用于光學平臺角度校準、激光反射鏡調整等需要微傾角控制的場景。
一、產品特點
1、DLF41(軸孔配套式)
·單軸傾斜調節:旋鈕驅動,操作簡便
·軸孔導向:鋼制精密軸系,無晃動
·緊湊設計:適合空間受限安裝
·快速鎖定:偏心輪一鍵固定角度

2、DLF42(三點支撐式)
·三角形穩定結構:抗偏載能力提升
·雙蝸輪蝸桿驅動:角度微調更精細
·重載平臺:最大負載達30kg
·防滑底座:硅膠墊防振動移位

二、性能參數對比
參數:DLF41 / DLF42
調節范圍:±15° / ±20°
角度分辨率:0.1° / 0.05°
重復精度:±0.1° / ±0.05°
最大負載:15kg / 30kg
鎖定方式:偏心輪快速鎖緊 / 三點螺旋壓緊
三、核心應用
(1)DLF41:小型光學反射鏡角度微調
(2)DLF42:重型激光器準直、精密儀器平臺調平


