微分頭驅動型DIWO1手動位移滑臺
發布時間:2025-06-27 11:43:45點擊量: 
      

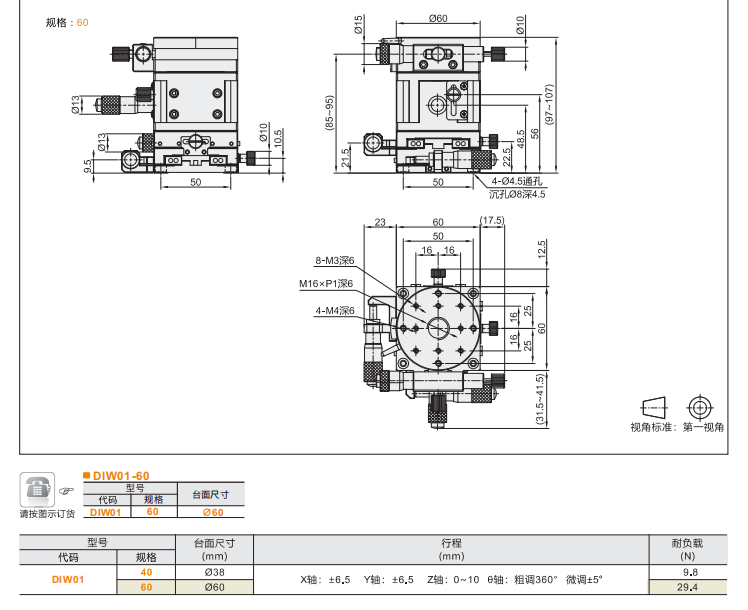
高精度微分頭驅動DIWO1手動位移滑臺,分辨率達0.5μm,配備交叉滾柱導軌,重復定位精度±0.002mm。硬質氧化鋁合金主體兼具輕量化與高剛性,適用于超精密光學調整、微納加工定位等亞微米級需求場景,是科研實驗與高端制造的理想微位移平臺。
一、產品特點
·超微米驅動:0.5μm微分頭,支持0.1μm微調(選配)
·零背隙結構:彈性預緊機構消除回程誤差
·熱穩定設計:低熱膨脹材料+隔熱底座接口
·全封閉導軌:防塵密封,適合潔凈環境
·模塊化擴展:支持XYZ多軸串聯
二、性能參數
·分辨率:0.5μm(標配),可選0.1μm高精度微分頭
·重復精度:±0.002mm(20℃恒溫環境)
·最大負載:10kg(水平)/5kg(垂直)
·行程范圍:10-25mm(標準款),可定制50mm
·溫度敏感性:≤0.05μm/℃(配合恒溫底座)


三、核心應用
1.超精密光學元件裝調
2.掃描探針顯微鏡樣品定位
3.微電子封裝設備對準
4.量子實驗裝置微位移控制


